芯片资讯
-
27
2024-01
瑞红集成电路高端光刻胶总部落户吴中
江苏苏州吴中经济技术开发区项目集中签约仪式于1月11日圆满举行,六大项目,总投资额达人民币 63亿元,预计实现销售收入90亿元。此次签约项目中有四个为优质企业的增资扩产,两个为新兴产业的新投资项目,遍布多产业领域如检测检验、光刻胶、新能源、自动化设备以及高端医疗器械类。 据吴中发布的最新消息,签约项目涵盖了瑞红集成电路高端光刻胶总部项目,该项投资高达15亿元,旨在新建半导体光刻胶及其配套试剂的生产基地。值得注意的是,瑞红苏州还于1月8日宣布,为了满足公司运营与发展需求,向中国石化集团资本有限公
-
23
2024-01
2024年AI芯片发展的三大关键战役
AI芯片走入春秋战国。 竞争驱动洗牌,洗牌催生跨越。 我们深知,适应比预测更重要。无论是如今写在历史中的大公司们,还是依旧寻找方向的创业公司,无一例外不经历着一次又一次的洗牌,又在一次又一次的洗牌中或退场、或重生。 这是一个洗牌年代,也是一个值得书写的年代。 2024年注定是AI芯片厂商们捉对厮杀的一年。 过去一年时间里,AI赛道烈火烹油,以英伟达为代表的GPU厂商手握算力心脏,背靠AI企业扩大云计算规模和训练大模型的需求,吃下了AI时代的第一笔红利,赚得盆满钵满。 随着时间来到2024,AI
-
23
2024-01
软通教育助力建设城市HarmonyOS人才生态
1月18日,“鸿蒙生态千帆启航仪式”在深圳隆重举行,软通动力携旗下子公司软通教育应邀出席,并参加同日举办的鸿蒙生态人才共建交流会,与国内多家赋能机构,80余位伙伴和华为专家齐聚一堂,围绕鸿蒙生态人才培养、产学合作、鸿蒙生态人才认证等内容进行交流和探讨。会上,软通教育与华为软件技术有限公司共同签署鸿蒙人才合作协议,随后软通教育首席运营官谭帅以《助力建设城市HarmonyOS人才生态》为题,代表赋能机构进行主题发言,讨论共建鸿蒙人才培养体系及产教融合新模式,推动鸿蒙生态人才供给与人才发展。 软通动
-
19
2024-01
那个晶圆厂,真的会建吗?
2023年是半导体制造相关大规模投资及相关投资接连宣布的一年。这里的半导体制造不只限于晶圆代工厂,拥有自己Fab的厂商纷纷宣布大规模投资,随之而来的是后段制程厂商、半导体制造设备厂商、甚至材料厂商也纷纷宣布大举投资计划。 在2023年12月举办的“Semicon Japan”演讲中,SEMI演讲者预计2025年相关投资额将达到1,250亿美元。(图1)。不过,去年6月份的数字只涉及300mm晶圆相关的投资,而SEMI的预测报告中包括了200mm晶圆,所以不能否认这方面存在一些差异或错误,我认为
-
19
2024-01
芯科科技与Arduino合作推动Matter协议集成计划
CES 2024甫于上周落幕,获得广泛关注的人工智能(AI)和Matter物联网协议可谓是今年展会的两大焦点。面向Matter的发展趋势,Silicon Labs(亦称“芯科科技”)与开源平台Arduino共同宣布将合作推动Matter协议集成计划(Matter protocol integration),通过结合双方的软硬件技术资源和支持能力,全面推进Matter的应用与开发,将使物联网世界变得更加令人兴奋。 芯科科技与Arduino的合作可望彻底改变Matter协议的访问方式,该计划将分两
-
17
2024-01
SK海力士:挑战美国限制,推进中国半导体技术升级
据了解,韩国芯片制造巨头SK海力士正在考虑打破美国对华极紫外(EUV)光刻机出口相关限制,以提升其在中国的半导体工厂的技术水平。 这一举动被视为,随着半导体市场的复苏以及中国高性能半导体制造能力的提升,一些韩国芯片企业正在采取一切可以使用的方法来提高在华工厂的制造工艺水平。 业内人士透露,SK海力士计划今年将其中国无锡工厂的部分DRAM生产设备提升至第四代10纳米工艺。然而,对于“无锡工厂将进行技术升级”的消息,SK海力士方面表示“无法确认工厂的具体运营计划”。 据了解,无锡工厂是SK海力士的
-
17
2024-01
高通跻身美国专利授权量第二
近期,专利服务机构IFI CLAIMS公布2023年美国专利授权50强排行。在这份排名中,三星电子凭借6,165项被授予的专利再度成为年度最受认可的专利权持有者;高通则超越IBM,跻身第二位,专利授权量同比增幅高达47%。 值得关注的是,2022年,三星首次超越IBM成为该榜单的榜首;而在2023年,高通成为自29年前以来,首次在专利授权方面超越IBM的美国公司。同时,台积电以3,687项专利授权位列第三,IBM排名第四。 IFI CLAIMS首席执行官Ron Kratz强调,专利申请流程通常
-
16
2024-01
电流互感器带"S"和不带S所表示的含义及区别
电流互感器和变压器很相似,变压器接在线路上,主要用来改变线路的电压,而电流互感器接在线路上,主要用来改变线路的电流,所以电流互感器从前也叫做变流器。 后来,一般把直流电变成交流电的仪器设备叫做变流器,把改变线路上电流大小的电器,根据它通过互感的工作原理,叫做电流互感器。电流互感器稳定性好,采用零磁通技术,具有电流测量精度高,可靠性强。那么,电流互感器准确度等级,为什么有的时候带S,有的时候不带S呢?下面本文简明扼要地给大家解析一些,看完文章希望能给广大电气人员加深电流互感器的了解。 电流互感器
-
16
2024-01
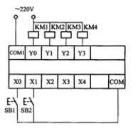
PLC新手编程入门指南:从基础到实践的旅程
PLC(可编程逻辑控制器)在工业自动化领域发挥着至关重要的作用。对于新手来说,掌握PLC编程是一项具有挑战性的任务,但也是开启自动化控制领域的关键。本文将为您提供一份详细的PLC编程入门指南,从基础知识到实际应用,帮助您快速上手。 首先,我们需要了解一些数字电路基础。这包括数制与码制、进制转换、基本逻辑电路和逻辑位运算等方面的知识。这些基础知识将为您后续的PLC学习打下坚实的基础。 接下来,我们需要对PLC有一个基本的了解。您需要学习如何识别PLC的型号、硬件结构、安装以及硬件接线等方面的知识
-
16
2024-01
挑战英伟达,索尼AFEELA里的高通数字底盘
2024年CES展上,索尼用自家的PS5游戏机遥控原型车AFEELA登台颇为惊艳,预计AFEELA在2025年上市,起售价约为45000美元,首选发售地据悉是北美。AFEELA是高通数字底盘的典型代表。 AFEELA具备800TOPS的算力。 图片来源:SHM 图片来源:SHM AFEELA显然是采用了两套SnapdragonRide级联,推测SoC是高通的SA8650,加速器是基于Cloud AI 100 Ultra的车载版。 AFEELA的AD/ADAS架构 图片来源:SHM 上图是AFE
-
16
2024-01
3D纳米制造的软体微型机器人,超灵敏弹簧作为板载传感器和执行器
微尺度生物和特定的活动细胞利用基于蛋白质的弹簧状响应结构来感知、抓取和移动。在人造微机械上实现这种生物机械传导功能,以用于单细胞操作具有挑战性,这是由于需要一种生物适用的纳米尺度弹簧系统,并对皮牛顿级别(piconewton-scale)的力具有足够大且可编程的应变响应。 据麦姆斯咨询报道,近日,中国科学院深圳先进技术研究院、德国开姆尼茨工业大学(Chemnitz University of Technology)、德累斯顿工业大学(Dresden University of Technolo
-
10
2024-01
生成式人工智能的应用
ChatGPT 虽然很酷,但这只是一个开始; 生成式人工智能的企业用途要复杂得多。 过去三年,风险投资公司在生成式人工智能解决方案上投资了超过 17 亿美元,其中人工智能药物发现和人工智能软件编码获得的资金最多。 “ChatGPT 等早期基础模型侧重于生成式 AI 增强创造性工作的能力,但到 2025 年,我们预计将使用生成式 AI 技术系统地发现超过 30% 的新药物和材料(目前为零),” Brian Burke,Gartner 技术创新研究副总裁。 “这只是众多行业用例之一。” 第一名:药





